| KEY SPECIFICATIONS | |
|---|---|
| band | Ku-Band |
| band type | S: Standard |
| external ref freq | 10 MHz (sine-wave), - 5 to +5 dBm |
| input frequency band 1 | 950 - 1450 MHz |
| LO frequency 1 | 13.05 GHz |
| output frequency band 1 | 14.00 - 14.50 GHz |
| output power rated | 80W |
| Product Revision | D |
| RF SPECIFICATIONS | |
|---|---|
| gain flatness (40MHz) | ≤ 1.5 dB p-p |
| Gain Flatness (over full band) | ≤ 6.0 dB p-p |
| Gain Flatness (over temperature) | ≤ 3.0 dB p-p |
| input VSWR | 2.0 : 1 max. |
| Linear Gain | ≥ 60 dB |
| noise power density | -65 dBm/Hz in Tx, -65 dBm/Hz in Rx |
| output P1dB | 49 dBm min. |
| output power psat | 50 dBm min. |
| output spurious in band | ≤ -55 dBc |
| output spurious out of band P1dB | ≤ -55 dBc |
| output VSWR | 2.0 : 1 max. |
| phase noise 1kHz offset max | -72 dBc/Hz |
| phase noise 10kHz offset max | -82 dBc/Hz |
| phase noise 100kHz offset max | -92 dBc/Hz |
| phase noise 1000kHz offset max | -102 dBc/Hz |
| ELECTRICAL SPECIFICATIONS | |
|---|---|
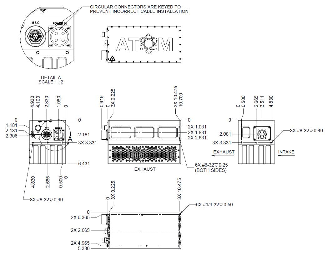
| power connector | MIL-26482 Series 1 receptacle, Shell Size 22, 4 Pins, ACS06E22-22P-472 |
| power consumption psat | 610 W max. |
| power requirements | +18 to +56V DC |
| INTERFACE SPECIFICATIONS | |
|---|---|
| IF connector | N-Connector |
| RF output connector | WR-75 waveguide grooved |
| M and C SPECIFICATIONS | |
|---|---|
| mute control | Fully configurable, (mute enable: high: 3.0 - 5.0 V or low: 0.0 - 0.8 V, mute default: enabled or disabled) |
| m and c connector | MIL-26482 Series 1 receptacle, Shell Size 12, 10 Pins, 58-533723-10P |
| m and c interface | Addressable RS-485 |
| ENVIRONMENTAL SPECIFICATIONS | |
|---|---|
| humidity | 100% condensing |
| IP rating | IP 65 |
| temperature operational | -40°C to +60°C |
| temperature storage | -50 to +80°C |
| PHYSICAL SPECIFICATIONS | |
|---|---|
| cooling | 1: Internal Fan |
| enclosed accessories | Screws, Gasket, M&C Connector, Power Connector |
| product height | 164 mm |
| product length | 295 mm |
| product weight | 6.5 kg |
| product width | 135 mm |
| ACCESSORIES | |
|---|---|
| configuration add ons | No Add-on |
| optional m and c cable 10m | CABLEM+C-AT10 |
| optional power supply | PS600-AT2-(NA/UK/EU/IEC/CN/AU) |
| KEY SPECIFICATIONS | |
|---|---|
| band | Ku-Band |
| band type | S: Standard |
| external ref freq | 10 MHz (sine-wave), - 5 to +5 dBm |
| input frequency band 1 | 950 - 1450 MHz |
| LO frequency 1 | 13.05 GHz |
| output frequency band 1 | 14.00 - 14.50 GHz |
| output power rated | 80W |
| Product Revision | B |
| RF SPECIFICATIONS | |
|---|---|
| gain flatness (40MHz) | ≤ 1.5 dB p-p |
| Gain Flatness (over full band) | ≤ 6.0 dB p-p |
| Gain Flatness (over temperature) | ≤ 3.0 dB p-p |
| input VSWR | 2.0 : 1 max. |
| Linear Gain | ≥ 60 dB |
| noise power density | -65 dBm/Hz in Tx, -65 dBm/Hz in Rx |
| output power psat | 50 dBm min. |
| output spurious in band | ≤ -55 dBc |
| output spurious out of band P1dB | ≤ -55 dBc |
| output VSWR | 2.0 : 1 max. |
| phase noise 1kHz offset max | -72 dBc/Hz |
| phase noise 10kHz offset max | -82 dBc/Hz |
| phase noise 100kHz offset max | -92 dBc/Hz |
| phase noise 1000kHz offset max | -102 dBc/Hz |
| ELECTRICAL SPECIFICATIONS | |
|---|---|
| power connector | MIL-26482 Series 1 receptacle, Shell Size 22, 4 Pins, ACS06E22-22P-472 |
| power consumption psat | 610 W max. |
| power requirements | +18 to +56V DC |
| INTERFACE SPECIFICATIONS | |
|---|---|
| IF connector | N-Connector |
| RF output connector | WR-75 waveguide grooved |
| M and C SPECIFICATIONS | |
|---|---|
| mute control | Fully configurable, (mute enable: high: 3.0 - 5.0 V or low: 0.0 - 0.8 V, mute default: enabled or disabled) |
| m and c connector | MIL-26482 Series 1 receptacle, Shell Size 12, 10 Pins, 58-533723-10P |
| m and c interface | Addressable RS-485 |
| ENVIRONMENTAL SPECIFICATIONS | |
|---|---|
| humidity | 100% condensing |
| IP rating | IP 65 |
| temperature operational | -40°C to +60°C |
| temperature storage | -50 to +80°C |
| PHYSICAL SPECIFICATIONS | |
|---|---|
| cooling | 1: Internal Fan |
| enclosed accessories | Screws, Gasket, M&C Connector, Power Connector |
| product height | 164 mm |
| product length | 295 mm |
| product weight | 6.5 kg |
| product width | 135 mm |
| ACCESSORIES | |
|---|---|
| configuration add ons | F: EMI/EMC Filter |
| optional m and c cable 10m | CABLEM+C-AT10 |
| optional power supply | PS600-AT2-(NA/UK/EU/IEC/CN/AU) |
| KEY SPECIFICATIONS | |
|---|---|
| band | Ku-Band |
| band type | S: Standard |
| external ref freq | 10 MHz (sine-wave), - 5 to +5 dBm |
| input frequency band 1 | 950 - 1450 MHz |
| LO frequency 1 | 13.05 GHz |
| output frequency band 1 | 14.00 - 14.50 GHz |
| output power rated | 80W |
| Product Revision | B |
| RF SPECIFICATIONS | |
|---|---|
| gain flatness (40MHz) | ≤ 1.5 dB p-p |
| Gain Flatness (over full band) | ≤ 6.0 dB p-p |
| Gain Flatness (over temperature) | ≤ 3.0 dB p-p |
| input VSWR | 2.0 : 1 max. |
| Linear Gain | ≥ 60 dB |
| noise power density | -65 dBm/Hz in Tx, -65 dBm/Hz in Rx |
| output power psat | 50 dBm min. |
| output spurious in band | ≤ -55 dBc |
| output spurious out of band P1dB | ≤ -55 dBc |
| output VSWR | 2.0 : 1 max. |
| phase noise 1kHz offset max | -72 dBc/Hz |
| phase noise 10kHz offset max | -82 dBc/Hz |
| phase noise 100kHz offset max | -92 dBc/Hz |
| phase noise 1000kHz offset max | -102 dBc/Hz |
| ELECTRICAL SPECIFICATIONS | |
|---|---|
| power connector | MIL-26482 Series 1 receptacle, Shell Size 22, 4 Pins, ACS06E22-22P-472 |
| power consumption psat | 610 W max. |
| power requirements | +18 to +56V DC |
| INTERFACE SPECIFICATIONS | |
|---|---|
| IF connector | N-Connector |
| RF output connector | WR-75 waveguide grooved |
| M and C SPECIFICATIONS | |
|---|---|
| mute control | Fully configurable, (mute enable: high: 3.0 - 5.0 V or low: 0.0 - 0.8 V, mute default: enabled or disabled) |
| m and c connector | MIL-26482 Series 1 receptacle, Shell Size 12, 10 Pins, 58-533723-10P |
| m and c interface | Addressable RS-485 |
| ENVIRONMENTAL SPECIFICATIONS | |
|---|---|
| humidity | 100% condensing |
| IP rating | IP 65 |
| temperature operational | -40°C to +60°C |
| temperature storage | -50 to +80°C |
| PHYSICAL SPECIFICATIONS | |
|---|---|
| cooling | 1: Internal Fan |
| enclosed accessories | Screws, Gasket, M&C Connector, Power Connector |
| product height | 164 mm |
| product length | 295 mm |
| product weight | 6.5 kg |
| product width | 135 mm |
| ACCESSORIES | |
|---|---|
| configuration add ons | I: Internal Reference |
| optional m and c cable 10m | CABLEM+C-AT10 |
| optional power supply | PS600-AT2-(NA/UK/EU/IEC/CN/AU) |
| KEY SPECIFICATIONS | |
|---|---|
| band | Ku-Band |
| band type | S: Standard |
| external ref freq | 10 MHz (sine-wave), - 5 to +5 dBm |
| input frequency band 1 | 950 - 1450 MHz |
| LO frequency 1 | 13.05 GHz |
| output frequency band 1 | 14.00 - 14.50 GHz |
| output power rated | 80W |
| Product Revision | B |
| RF SPECIFICATIONS | |
|---|---|
| gain flatness (40MHz) | ≤ 1.5 dB p-p |
| Gain Flatness (over full band) | ≤ 6.0 dB p-p |
| Gain Flatness (over temperature) | ≤ 3.0 dB p-p |
| input VSWR | 2.0 : 1 max. |
| Linear Gain | ≥ 60 dB |
| noise power density | -65 dBm/Hz in Tx, -65 dBm/Hz in Rx |
| output power psat | 50 dBm min. |
| output spurious in band | ≤ -55 dBc |
| output spurious out of band P1dB | ≤ -55 dBc |
| output VSWR | 2.0 : 1 max. |
| phase noise 1kHz offset max | -72 dBc/Hz |
| phase noise 10kHz offset max | -82 dBc/Hz |
| phase noise 100kHz offset max | -92 dBc/Hz |
| phase noise 1000kHz offset max | -102 dBc/Hz |
| ELECTRICAL SPECIFICATIONS | |
|---|---|
| power connector | MIL-26482 Series 1 receptacle, Shell Size 22, 4 Pins, ACS06E22-22P-472 |
| power consumption psat | 610 W max. |
| power requirements | +18 to +56V DC |
| INTERFACE SPECIFICATIONS | |
|---|---|
| IF connector | N-Connector |
| RF output connector | WR-75 waveguide grooved |
| M and C SPECIFICATIONS | |
|---|---|
| mute control | Fully configurable, (mute enable: high: 3.0 - 5.0 V or low: 0.0 - 0.8 V, mute default: enabled or disabled) |
| m and c connector | MIL-26482 Series 1 receptacle, Shell Size 12, 10 Pins, 58-533723-10P |
| m and c interface | Addressable RS-485 |
| ENVIRONMENTAL SPECIFICATIONS | |
|---|---|
| humidity | 100% condensing |
| IP rating | IP 65 |
| temperature operational | -40°C to +60°C |
| temperature storage | -50 to +80°C |
| PHYSICAL SPECIFICATIONS | |
|---|---|
| cooling | 1: Internal Fan |
| enclosed accessories | Screws, Gasket, M&C Connector, Power Connector |
| product height | 164 mm |
| product length | 295 mm |
| product weight | 6.5 kg |
| product width | 135 mm |
| ACCESSORIES | |
|---|---|
| configuration add ons | FI: EMI/EMC Filter & Internal Reference |
| optional m and c cable 10m | CABLEM+C-AT10 |
| optional power supply | PS600-AT2-(NA/UK/EU/IEC/CN/AU) |
| KEY SPECIFICATIONS | |
|---|---|
| band | Ku-Band |
| band type | S: Standard |
| external ref freq | 10 MHz (sine-wave), - 5 to +5 dBm |
| input frequency band 1 | 950 - 1450 MHz |
| LO frequency 1 | 13.05 GHz |
| output frequency band 1 | 14.00 - 14.50 GHz |
| output power rated | 80W |
| Product Revision | B |
| RF SPECIFICATIONS | |
|---|---|
| gain flatness (40MHz) | ≤ 1.5 dB p-p |
| Gain Flatness (over full band) | ≤ 6.0 dB p-p |
| Gain Flatness (over temperature) | ≤ 3.0 dB p-p |
| input VSWR | 2.0 : 1 max. |
| Linear Gain | ≥ 60 dB |
| noise power density | -65 dBm/Hz in Tx, -65 dBm/Hz in Rx |
| output P1dB | 49 dBm min. |
| output power psat | 50 dBm min. |
| output spurious in band | ≤ -55 dBc |
| output spurious out of band P1dB | ≤ -55 dBc |
| output VSWR | 2.0 : 1 max. |
| phase noise 1kHz offset max | -72 dBc/Hz |
| phase noise 10kHz offset max | -82 dBc/Hz |
| phase noise 100kHz offset max | -92 dBc/Hz |
| phase noise 1000kHz offset max | -102 dBc/Hz |
| ELECTRICAL SPECIFICATIONS | |
|---|---|
| power connector | MIL-26482 Series 1 receptacle, Shell Size 22, 4 Pins, ACS06E22-22P-472 |
| power consumption psat | 610 W max. |
| power requirements | +18 to +56V DC |
| INTERFACE SPECIFICATIONS | |
|---|---|
| IF connector | N-Connector |
| RF output connector | WR-75 waveguide grooved |
| M and C SPECIFICATIONS | |
|---|---|
| mute control | Fully configurable, (mute enable: high: 3.0 - 5.0 V or low: 0.0 - 0.8 V, mute default: enabled or disabled) |
| m and c connector | MIL-26482 Series 1 receptacle, Shell Size 12, 10 Pins, 58-533723-10P |
| m and c interface | RS-485 & Ethernet |
| ENVIRONMENTAL SPECIFICATIONS | |
|---|---|
| humidity | 100% condensing |
| IP rating | IP 65 |
| temperature operational | -40°C to +60°C |
| temperature storage | -50 to +80°C |
| PHYSICAL SPECIFICATIONS | |
|---|---|
| cooling | 1: Internal Fan |
| enclosed accessories | Screws, Gasket, M&C Connector, Power Connector |
| product height | 164 mm |
| product length | 295 mm |
| product weight | 6.5 kg |
| product width | 135 mm |
| ACCESSORIES | |
|---|---|
| configuration add ons | No Add-on |
| optional m and c cable 10m | CABLEM+C-AT10 |
| optional power supply | PS600-AT2-(NA/UK/EU/IEC/CN/AU) |
| KEY SPECIFICATIONS | |
|---|---|
| band | Ku-Band |
| band type | S: Standard |
| external ref freq | 10 MHz (sine-wave), - 5 to +5 dBm |
| input frequency band 1 | 950 - 1450 MHz |
| LO frequency 1 | 13.05 GHz |
| output frequency band 1 | 14.00 - 14.50 GHz |
| output power rated | 80W |
| Product Revision | B |
| RF SPECIFICATIONS | |
|---|---|
| gain flatness (40MHz) | ≤ 1.5 dB p-p |
| Gain Flatness (over full band) | ≤ 6.0 dB p-p |
| Gain Flatness (over temperature) | ≤ 3.0 dB p-p |
| input VSWR | 2.0 : 1 max. |
| Linear Gain | ≥ 60 dB |
| noise power density | -65 dBm/Hz in Tx, -65 dBm/Hz in Rx |
| output power psat | 50 dBm min. |
| output spurious in band | ≤ -55 dBc |
| output spurious out of band P1dB | ≤ -55 dBc |
| output VSWR | 2.0 : 1 max. |
| phase noise 1kHz offset max | -72 dBc/Hz |
| phase noise 10kHz offset max | -82 dBc/Hz |
| phase noise 100kHz offset max | -92 dBc/Hz |
| phase noise 1000kHz offset max | -102 dBc/Hz |
| ELECTRICAL SPECIFICATIONS | |
|---|---|
| power connector | MIL-26482 Series 1 receptacle, Shell Size 22, 4 Pins, ACS06E22-22P-472 |
| power consumption psat | 610 W max. |
| power requirements | +18 to +56V DC |
| INTERFACE SPECIFICATIONS | |
|---|---|
| IF connector | N-Connector |
| RF output connector | WR-75 waveguide grooved |
| M and C SPECIFICATIONS | |
|---|---|
| mute control | Fully configurable, (mute enable: high: 3.0 - 5.0 V or low: 0.0 - 0.8 V, mute default: enabled or disabled) |
| m and c connector | MIL-26482 Series 1 receptacle, Shell Size 12, 10 Pins, 58-533723-10P |
| m and c interface | RS-485 & Ethernet |
| ENVIRONMENTAL SPECIFICATIONS | |
|---|---|
| humidity | 100% condensing |
| IP rating | IP 65 |
| temperature operational | -40°C to +60°C |
| temperature storage | -50 to +80°C |
| PHYSICAL SPECIFICATIONS | |
|---|---|
| cooling | 1: Internal Fan |
| enclosed accessories | Screws, Gasket, M&C Connector, Power Connector |
| product height | 164 mm |
| product length | 295 mm |
| product weight | 6.5 kg |
| product width | 135 mm |
| ACCESSORIES | |
|---|---|
| configuration add ons | F: EMI/EMC Filter |
| optional m and c cable 10m | CABLEM+C-AT10 |
| optional power supply | PS600-AT2-(NA/UK/EU/IEC/CN/AU) |
| KEY SPECIFICATIONS | |
|---|---|
| band | Ku-Band |
| band type | S: Standard |
| external ref freq | 10 MHz (sine-wave), - 5 to +5 dBm |
| input frequency band 1 | 950 - 1450 MHz |
| LO frequency 1 | 13.05 GHz |
| output frequency band 1 | 14.00 - 14.50 GHz |
| output power rated | 80W |
| Product Revision | B |
| RF SPECIFICATIONS | |
|---|---|
| gain flatness (40MHz) | ≤ 1.5 dB p-p |
| Gain Flatness (over full band) | ≤ 6.0 dB p-p |
| Gain Flatness (over temperature) | ≤ 3.0 dB p-p |
| input VSWR | 2.0 : 1 max. |
| Linear Gain | ≥ 60 dB |
| noise power density | -65 dBm/Hz in Tx, -65 dBm/Hz in Rx |
| output power psat | 50 dBm min. |
| output spurious in band | ≤ -55 dBc |
| output spurious out of band P1dB | ≤ -55 dBc |
| output VSWR | 2.0 : 1 max. |
| phase noise 1kHz offset max | -72 dBc/Hz |
| phase noise 10kHz offset max | -82 dBc/Hz |
| phase noise 100kHz offset max | -92 dBc/Hz |
| phase noise 1000kHz offset max | -102 dBc/Hz |
| ELECTRICAL SPECIFICATIONS | |
|---|---|
| power connector | MIL-26482 Series 1 receptacle, Shell Size 22, 4 Pins, ACS06E22-22P-472 |
| power consumption psat | 610 W max. |
| power requirements | +18 to +56V DC |
| INTERFACE SPECIFICATIONS | |
|---|---|
| IF connector | N-Connector |
| RF output connector | WR-75 waveguide grooved |
| M and C SPECIFICATIONS | |
|---|---|
| mute control | Fully configurable, (mute enable: high: 3.0 - 5.0 V or low: 0.0 - 0.8 V, mute default: enabled or disabled) |
| m and c connector | MIL-26482 Series 1 receptacle, Shell Size 12, 10 Pins, 58-533723-10P |
| m and c interface | RS-485 & Ethernet |
| ENVIRONMENTAL SPECIFICATIONS | |
|---|---|
| humidity | 100% condensing |
| IP rating | IP 65 |
| temperature operational | -40°C to +60°C |
| temperature storage | -50 to +80°C |
| PHYSICAL SPECIFICATIONS | |
|---|---|
| cooling | 1: Internal Fan |
| enclosed accessories | Screws, Gasket, M&C Connector, Power Connector |
| product height | 164 mm |
| product length | 295 mm |
| product weight | 6.5 kg |
| product width | 135 mm |
| ACCESSORIES | |
|---|---|
| configuration add ons | I: Internal Reference |
| optional m and c cable 10m | CABLEM+C-AT10 |
| optional power supply | PS600-AT2-(NA/UK/EU/IEC/CN/AU) |
| KEY SPECIFICATIONS | |
|---|---|
| band | Ku-Band |
| band type | S: Standard |
| external ref freq | 10 MHz (sine-wave), - 5 to +5 dBm |
| input frequency band 1 | 950 - 1450 MHz |
| LO frequency 1 | 13.05 GHz |
| output frequency band 1 | 14.00 - 14.50 GHz |
| output power rated | 80W |
| Product Revision | B |
| RF SPECIFICATIONS | |
|---|---|
| gain flatness (40MHz) | ≤ 1.5 dB p-p |
| Gain Flatness (over full band) | ≤ 6.0 dB p-p |
| Gain Flatness (over temperature) | ≤ 3.0 dB p-p |
| input VSWR | 2.0 : 1 max. |
| Linear Gain | ≥ 60 dB |
| noise power density | -65 dBm/Hz in Tx, -65 dBm/Hz in Rx |
| output power psat | 50 dBm min. |
| output spurious in band | ≤ -55 dBc |
| output spurious out of band P1dB | ≤ -55 dBc |
| output VSWR | 2.0 : 1 max. |
| phase noise 1kHz offset max | -72 dBc/Hz |
| phase noise 10kHz offset max | -82 dBc/Hz |
| phase noise 100kHz offset max | -92 dBc/Hz |
| phase noise 1000kHz offset max | -102 dBc/Hz |
| ELECTRICAL SPECIFICATIONS | |
|---|---|
| power connector | MIL-26482 Series 1 receptacle, Shell Size 22, 4 Pins, ACS06E22-22P-472 |
| power consumption psat | 610 W max. |
| power requirements | +18 to +56V DC |
| INTERFACE SPECIFICATIONS | |
|---|---|
| IF connector | N-Connector |
| RF output connector | WR-75 waveguide grooved |
| M and C SPECIFICATIONS | |
|---|---|
| mute control | Fully configurable, (mute enable: high: 3.0 - 5.0 V or low: 0.0 - 0.8 V, mute default: enabled or disabled) |
| m and c connector | MIL-26482 Series 1 receptacle, Shell Size 12, 10 Pins, 58-533723-10P |
| m and c interface | RS-485 & Ethernet |
| ENVIRONMENTAL SPECIFICATIONS | |
|---|---|
| humidity | 100% condensing |
| IP rating | IP 65 |
| temperature operational | -40°C to +60°C |
| temperature storage | -50 to +80°C |
| PHYSICAL SPECIFICATIONS | |
|---|---|
| cooling | 1: Internal Fan |
| enclosed accessories | Screws, Gasket, M&C Connector, Power Connector |
| product height | 164 mm |
| product length | 295 mm |
| product weight | 6.5 kg |
| product width | 135 mm |
| ACCESSORIES | |
|---|---|
| configuration add ons | FI: EMI/EMC Filter & Internal Reference |
| optional m and c cable 10m | CABLEM+C-AT10 |
| optional power supply | PS600-AT2-(NA/UK/EU/IEC/CN/AU) |
| KEY SPECIFICATIONS | |
|---|---|
| band | Ku-Band |
| band type | S: Standard |
| external ref freq | 10 MHz (sine-wave), - 5 to +5 dBm |
| input frequency band 1 | 950 - 1450 MHz |
| LO frequency 1 | 13.05 GHz |
| output frequency band 1 | 14.00 - 14.50 GHz |
| output power rated | 80W |
| Product Revision | B |
| RF SPECIFICATIONS | |
|---|---|
| gain flatness (40MHz) | ≤ 1.5 dB p-p |
| Gain Flatness (over full band) | ≤ 6.0 dB p-p |
| Gain Flatness (over temperature) | ≤ 3.0 dB p-p |
| input VSWR | 2.0 : 1 max. |
| Linear Gain | ≥ 60 dB |
| noise power density | -65 dBm/Hz in Tx, -65 dBm/Hz in Rx |
| output P1dB | 49 dBm min. |
| output power psat | 50 dBm min. |
| output spurious in band | ≤ -55 dBc |
| output spurious out of band P1dB | ≤ -55 dBc |
| output VSWR | 2.0 : 1 max. |
| phase noise 1kHz offset max | -72 dBc/Hz |
| phase noise 10kHz offset max | -82 dBc/Hz |
| phase noise 100kHz offset max | -92 dBc/Hz |
| phase noise 1000kHz offset max | -102 dBc/Hz |
| ELECTRICAL SPECIFICATIONS | |
|---|---|
| power connector | MIL-26482 Series 1 receptacle, Shell Size 22, 4 Pins, ACS06E22-22P-472 |
| power consumption psat | 610 W max. |
| power requirements | +18 to +56V DC |
| INTERFACE SPECIFICATIONS | |
|---|---|
| IF connector | N-Connector |
| RF output connector | WR-75 waveguide grooved |
| M and C SPECIFICATIONS | |
|---|---|
| mute control | Fully configurable, (mute enable: high: 3.0 - 5.0 V or low: 0.0 - 0.8 V, mute default: enabled or disabled) |
| m and c connector | MIL-26482 Series 1 receptacle, Shell Size 12, 10 Pins, 58-533723-10P |
| m and c interface | Addressable RS-485 |
| ENVIRONMENTAL SPECIFICATIONS | |
|---|---|
| humidity | 100% condensing |
| IP rating | IP 65 |
| temperature operational | -40°C to +60°C |
| temperature storage | -50 to +80°C |
| PHYSICAL SPECIFICATIONS | |
|---|---|
| cooling | 2: External Baseplate |
| enclosed accessories | Screws, Gasket, M&C Connector, Power Connector |
| product height | 164 mm |
| product length | 295 mm |
| product weight | 6.5 kg |
| product width | 135 mm |
| ACCESSORIES | |
|---|---|
| configuration add ons | No Add-on |
| optional m and c cable 10m | CABLEM+C-AT10 |
| optional power supply | PS600-AT2-(NA/UK/EU/IEC/CN/AU) |
| KEY SPECIFICATIONS | |
|---|---|
| band | Ku-Band |
| band type | S: Standard |
| external ref freq | 10 MHz (sine-wave), - 5 to +5 dBm |
| input frequency band 1 | 950 - 1450 MHz |
| LO frequency 1 | 13.05 GHz |
| output frequency band 1 | 14.00 - 14.50 GHz |
| output power rated | 80W |
| Product Revision | B |
| RF SPECIFICATIONS | |
|---|---|
| gain flatness (40MHz) | ≤ 1.5 dB p-p |
| Gain Flatness (over full band) | ≤ 6.0 dB p-p |
| Gain Flatness (over temperature) | ≤ 3.0 dB p-p |
| input VSWR | 2.0 : 1 max. |
| Linear Gain | ≥ 60 dB |
| noise power density | -65 dBm/Hz in Tx, -65 dBm/Hz in Rx |
| output power psat | 50 dBm min. |
| output spurious in band | ≤ -55 dBc |
| output spurious out of band P1dB | ≤ -55 dBc |
| output VSWR | 2.0 : 1 max. |
| phase noise 1kHz offset max | -72 dBc/Hz |
| phase noise 10kHz offset max | -82 dBc/Hz |
| phase noise 100kHz offset max | -92 dBc/Hz |
| phase noise 1000kHz offset max | -102 dBc/Hz |
| ELECTRICAL SPECIFICATIONS | |
|---|---|
| power connector | MIL-26482 Series 1 receptacle, Shell Size 22, 4 Pins, ACS06E22-22P-472 |
| power consumption psat | 610 W max. |
| power requirements | +18 to +56V DC |
| INTERFACE SPECIFICATIONS | |
|---|---|
| IF connector | N-Connector |
| RF output connector | WR-75 waveguide grooved |
| M and C SPECIFICATIONS | |
|---|---|
| mute control | Fully configurable, (mute enable: high: 3.0 - 5.0 V or low: 0.0 - 0.8 V, mute default: enabled or disabled) |
| m and c connector | MIL-26482 Series 1 receptacle, Shell Size 12, 10 Pins, 58-533723-10P |
| m and c interface | Addressable RS-485 |
| ENVIRONMENTAL SPECIFICATIONS | |
|---|---|
| humidity | 100% condensing |
| IP rating | IP 65 |
| temperature operational | -40°C to +60°C |
| temperature storage | -50 to +80°C |
| PHYSICAL SPECIFICATIONS | |
|---|---|
| cooling | 2: External Baseplate |
| enclosed accessories | Screws, Gasket, M&C Connector, Power Connector |
| product height | 164 mm |
| product length | 295 mm |
| product weight | 6.5 kg |
| product width | 135 mm |
| ACCESSORIES | |
|---|---|
| configuration add ons | F: EMI/EMC Filter |
| optional m and c cable 10m | CABLEM+C-AT10 |
| optional power supply | PS600-AT2-(NA/UK/EU/IEC/CN/AU) |
| KEY SPECIFICATIONS | |
|---|---|
| band | Ku-Band |
| band type | S: Standard |
| external ref freq | 10 MHz (sine-wave), - 5 to +5 dBm |
| input frequency band 1 | 950 - 1450 MHz |
| LO frequency 1 | 13.05 GHz |
| output frequency band 1 | 14.00 - 14.50 GHz |
| output power rated | 80W |
| Product Revision | B |
| RF SPECIFICATIONS | |
|---|---|
| gain flatness (40MHz) | ≤ 1.5 dB p-p |
| Gain Flatness (over full band) | ≤ 6.0 dB p-p |
| Gain Flatness (over temperature) | ≤ 3.0 dB p-p |
| input VSWR | 2.0 : 1 max. |
| Linear Gain | ≥ 60 dB |
| noise power density | -65 dBm/Hz in Tx, -65 dBm/Hz in Rx |
| output power psat | 50 dBm min. |
| output spurious in band | ≤ -55 dBc |
| output spurious out of band P1dB | ≤ -55 dBc |
| output VSWR | 2.0 : 1 max. |
| phase noise 1kHz offset max | -72 dBc/Hz |
| phase noise 10kHz offset max | -82 dBc/Hz |
| phase noise 100kHz offset max | -92 dBc/Hz |
| phase noise 1000kHz offset max | -102 dBc/Hz |
| ELECTRICAL SPECIFICATIONS | |
|---|---|
| power connector | MIL-26482 Series 1 receptacle, Shell Size 22, 4 Pins, ACS06E22-22P-472 |
| power consumption psat | 610 W max. |
| power requirements | +18 to +56V DC |
| INTERFACE SPECIFICATIONS | |
|---|---|
| IF connector | N-Connector |
| RF output connector | WR-75 waveguide grooved |
| M and C SPECIFICATIONS | |
|---|---|
| mute control | Fully configurable, (mute enable: high: 3.0 - 5.0 V or low: 0.0 - 0.8 V, mute default: enabled or disabled) |
| m and c connector | MIL-26482 Series 1 receptacle, Shell Size 12, 10 Pins, 58-533723-10P |
| m and c interface | Addressable RS-485 |
| ENVIRONMENTAL SPECIFICATIONS | |
|---|---|
| humidity | 100% condensing |
| IP rating | IP 65 |
| temperature operational | -40°C to +60°C |
| temperature storage | -50 to +80°C |
| PHYSICAL SPECIFICATIONS | |
|---|---|
| cooling | 2: External Baseplate |
| enclosed accessories | Screws, Gasket, M&C Connector, Power Connector |
| product height | 164 mm |
| product length | 295 mm |
| product weight | 6.5 kg |
| product width | 135 mm |
| ACCESSORIES | |
|---|---|
| configuration add ons | I: Internal Reference |
| optional m and c cable 10m | CABLEM+C-AT10 |
| optional power supply | PS600-AT2-(NA/UK/EU/IEC/CN/AU) |
| KEY SPECIFICATIONS | |
|---|---|
| band | Ku-Band |
| band type | S: Standard |
| external ref freq | 10 MHz (sine-wave), - 5 to +5 dBm |
| input frequency band 1 | 950 - 1450 MHz |
| LO frequency 1 | 13.05 GHz |
| output frequency band 1 | 14.00 - 14.50 GHz |
| output power rated | 80W |
| Product Revision | B |
| RF SPECIFICATIONS | |
|---|---|
| gain flatness (40MHz) | ≤ 1.5 dB p-p |
| Gain Flatness (over full band) | ≤ 6.0 dB p-p |
| Gain Flatness (over temperature) | ≤ 3.0 dB p-p |
| input VSWR | 2.0 : 1 max. |
| Linear Gain | ≥ 60 dB |
| noise power density | -65 dBm/Hz in Tx, -65 dBm/Hz in Rx |
| output power psat | 50 dBm min. |
| output spurious in band | ≤ -55 dBc |
| output spurious out of band P1dB | ≤ -55 dBc |
| output VSWR | 2.0 : 1 max. |
| phase noise 1kHz offset max | -72 dBc/Hz |
| phase noise 10kHz offset max | -82 dBc/Hz |
| phase noise 100kHz offset max | -92 dBc/Hz |
| phase noise 1000kHz offset max | -102 dBc/Hz |
| ELECTRICAL SPECIFICATIONS | |
|---|---|
| power connector | MIL-26482 Series 1 receptacle, Shell Size 22, 4 Pins, ACS06E22-22P-472 |
| power consumption psat | 610 W max. |
| power requirements | +18 to +56V DC |
| INTERFACE SPECIFICATIONS | |
|---|---|
| IF connector | N-Connector |
| RF output connector | WR-75 waveguide grooved |
| M and C SPECIFICATIONS | |
|---|---|
| mute control | Fully configurable, (mute enable: high: 3.0 - 5.0 V or low: 0.0 - 0.8 V, mute default: enabled or disabled) |
| m and c connector | MIL-26482 Series 1 receptacle, Shell Size 12, 10 Pins, 58-533723-10P |
| m and c interface | Addressable RS-485 |
| ENVIRONMENTAL SPECIFICATIONS | |
|---|---|
| humidity | 100% condensing |
| IP rating | IP 65 |
| temperature operational | -40°C to +60°C |
| temperature storage | -50 to +80°C |
| PHYSICAL SPECIFICATIONS | |
|---|---|
| cooling | 2: External Baseplate |
| enclosed accessories | Screws, Gasket, M&C Connector, Power Connector |
| product height | 164 mm |
| product length | 295 mm |
| product weight | 6.5 kg |
| product width | 135 mm |
| ACCESSORIES | |
|---|---|
| configuration add ons | FI: EMI/EMC Filter & Internal Reference |
| optional m and c cable 10m | CABLEM+C-AT10 |
| optional power supply | PS600-AT2-(NA/UK/EU/IEC/CN/AU) |
| KEY SPECIFICATIONS | |
|---|---|
| band | Ku-Band |
| band type | S: Standard |
| external ref freq | 10 MHz (sine-wave), - 5 to +5 dBm |
| input frequency band 1 | 950 - 1450 MHz |
| LO frequency 1 | 13.05 GHz |
| output frequency band 1 | 14.00 - 14.50 GHz |
| output power rated | 80W |
| Product Revision | B |
| RF SPECIFICATIONS | |
|---|---|
| gain flatness (40MHz) | ≤ 1.5 dB p-p |
| Gain Flatness (over full band) | ≤ 6.0 dB p-p |
| Gain Flatness (over temperature) | ≤ 3.0 dB p-p |
| input VSWR | 2.0 : 1 max. |
| Linear Gain | ≥ 60 dB |
| noise power density | -65 dBm/Hz in Tx, -65 dBm/Hz in Rx |
| output P1dB | 49 dBm min. |
| output power psat | 50 dBm min. |
| output spurious in band | ≤ -55 dBc |
| output spurious out of band P1dB | ≤ -55 dBc |
| output VSWR | 2.0 : 1 max. |
| phase noise 1kHz offset max | -72 dBc/Hz |
| phase noise 10kHz offset max | -82 dBc/Hz |
| phase noise 100kHz offset max | -92 dBc/Hz |
| phase noise 1000kHz offset max | -102 dBc/Hz |
| ELECTRICAL SPECIFICATIONS | |
|---|---|
| power connector | MIL-26482 Series 1 receptacle, Shell Size 22, 4 Pins, ACS06E22-22P-472 |
| power consumption psat | 610 W max. |
| power requirements | +18 to +56V DC |
| INTERFACE SPECIFICATIONS | |
|---|---|
| IF connector | N-Connector |
| RF output connector | WR-75 waveguide grooved |
| M and C SPECIFICATIONS | |
|---|---|
| mute control | Fully configurable, (mute enable: high: 3.0 - 5.0 V or low: 0.0 - 0.8 V, mute default: enabled or disabled) |
| m and c connector | MIL-26482 Series 1 receptacle, Shell Size 12, 10 Pins, 58-533723-10P |
| m and c interface | RS-485 & Ethernet |
| ENVIRONMENTAL SPECIFICATIONS | |
|---|---|
| humidity | 100% condensing |
| IP rating | IP 65 |
| temperature operational | -40°C to +60°C |
| temperature storage | -50 to +80°C |
| PHYSICAL SPECIFICATIONS | |
|---|---|
| cooling | 2: External Baseplate |
| enclosed accessories | Screws, Gasket, M&C Connector, Power Connector |
| product height | 164 mm |
| product length | 295 mm |
| product weight | 6.5 kg |
| product width | 135 mm |
| ACCESSORIES | |
|---|---|
| configuration add ons | No Add-on |
| optional m and c cable 10m | CABLEM+C-AT10 |
| optional power supply | PS600-AT2-(NA/UK/EU/IEC/CN/AU) |
| KEY SPECIFICATIONS | |
|---|---|
| band | Ku-Band |
| band type | S: Standard |
| external ref freq | 10 MHz (sine-wave), - 5 to +5 dBm |
| input frequency band 1 | 950 - 1450 MHz |
| LO frequency 1 | 13.05 GHz |
| output frequency band 1 | 14.00 - 14.50 GHz |
| output power rated | 80W |
| Product Revision | B |
| RF SPECIFICATIONS | |
|---|---|
| gain flatness (40MHz) | ≤ 1.5 dB p-p |
| Gain Flatness (over full band) | ≤ 6.0 dB p-p |
| Gain Flatness (over temperature) | ≤ 3.0 dB p-p |
| input VSWR | 2.0 : 1 max. |
| Linear Gain | ≥ 60 dB |
| noise power density | -65 dBm/Hz in Tx, -65 dBm/Hz in Rx |
| output power psat | 50 dBm min. |
| output spurious in band | ≤ -55 dBc |
| output spurious out of band P1dB | ≤ -55 dBc |
| output VSWR | 2.0 : 1 max. |
| phase noise 1kHz offset max | -72 dBc/Hz |
| phase noise 10kHz offset max | -82 dBc/Hz |
| phase noise 100kHz offset max | -92 dBc/Hz |
| phase noise 1000kHz offset max | -102 dBc/Hz |
| ELECTRICAL SPECIFICATIONS | |
|---|---|
| power connector | MIL-26482 Series 1 receptacle, Shell Size 22, 4 Pins, ACS06E22-22P-472 |
| power consumption psat | 610 W max. |
| power requirements | +18 to +56V DC |
| INTERFACE SPECIFICATIONS | |
|---|---|
| IF connector | N-Connector |
| RF output connector | WR-75 waveguide grooved |
| M and C SPECIFICATIONS | |
|---|---|
| mute control | Fully configurable, (mute enable: high: 3.0 - 5.0 V or low: 0.0 - 0.8 V, mute default: enabled or disabled) |
| m and c connector | MIL-26482 Series 1 receptacle, Shell Size 12, 10 Pins, 58-533723-10P |
| m and c interface | RS-485 & Ethernet |
| ENVIRONMENTAL SPECIFICATIONS | |
|---|---|
| humidity | 100% condensing |
| IP rating | IP 65 |
| temperature operational | -40°C to +60°C |
| temperature storage | -50 to +80°C |
| PHYSICAL SPECIFICATIONS | |
|---|---|
| cooling | 2: External Baseplate |
| enclosed accessories | Screws, Gasket, M&C Connector, Power Connector |
| product height | 164 mm |
| product length | 295 mm |
| product weight | 6.5 kg |
| product width | 135 mm |
| ACCESSORIES | |
|---|---|
| configuration add ons | F: EMI/EMC Filter |
| optional m and c cable 10m | CABLEM+C-AT10 |
| optional power supply | PS600-AT2-(NA/UK/EU/IEC/CN/AU) |
| KEY SPECIFICATIONS | |
|---|---|
| band | Ku-Band |
| band type | S: Standard |
| external ref freq | 10 MHz (sine-wave), - 5 to +5 dBm |
| input frequency band 1 | 950 - 1450 MHz |
| LO frequency 1 | 13.05 GHz |
| output frequency band 1 | 14.00 - 14.50 GHz |
| output power rated | 80W |
| Product Revision | B |
| RF SPECIFICATIONS | |
|---|---|
| gain flatness (40MHz) | ≤ 1.5 dB p-p |
| Gain Flatness (over full band) | ≤ 6.0 dB p-p |
| Gain Flatness (over temperature) | ≤ 3.0 dB p-p |
| input VSWR | 2.0 : 1 max. |
| Linear Gain | ≥ 60 dB |
| noise power density | -65 dBm/Hz in Tx, -65 dBm/Hz in Rx |
| output power psat | 50 dBm min. |
| output spurious in band | ≤ -55 dBc |
| output spurious out of band P1dB | ≤ -55 dBc |
| output VSWR | 2.0 : 1 max. |
| phase noise 1kHz offset max | -72 dBc/Hz |
| phase noise 10kHz offset max | -82 dBc/Hz |
| phase noise 100kHz offset max | -92 dBc/Hz |
| phase noise 1000kHz offset max | -102 dBc/Hz |
| ELECTRICAL SPECIFICATIONS | |
|---|---|
| power connector | MIL-26482 Series 1 receptacle, Shell Size 22, 4 Pins, ACS06E22-22P-472 |
| power consumption psat | 610 W max. |
| power requirements | +18 to +56V DC |
| INTERFACE SPECIFICATIONS | |
|---|---|
| IF connector | N-Connector |
| RF output connector | WR-75 waveguide grooved |
| M and C SPECIFICATIONS | |
|---|---|
| mute control | Fully configurable, (mute enable: high: 3.0 - 5.0 V or low: 0.0 - 0.8 V, mute default: enabled or disabled) |
| m and c connector | MIL-26482 Series 1 receptacle, Shell Size 12, 10 Pins, 58-533723-10P |
| m and c interface | RS-485 & Ethernet |
| ENVIRONMENTAL SPECIFICATIONS | |
|---|---|
| humidity | 100% condensing |
| IP rating | IP 65 |
| temperature operational | -40°C to +60°C |
| temperature storage | -50 to +80°C |
| PHYSICAL SPECIFICATIONS | |
|---|---|
| cooling | 2: External Baseplate |
| enclosed accessories | Screws, Gasket, M&C Connector, Power Connector |
| product height | 164 mm |
| product length | 295 mm |
| product weight | 6.5 kg |
| product width | 135 mm |
| ACCESSORIES | |
|---|---|
| configuration add ons | I: Internal Reference |
| optional m and c cable 10m | CABLEM+C-AT10 |
| optional power supply | PS600-AT2-(NA/UK/EU/IEC/CN/AU) |
| KEY SPECIFICATIONS | |
|---|---|
| band | Ku-Band |
| band type | S: Standard |
| external ref freq | 10 MHz (sine-wave), - 5 to +5 dBm |
| input frequency band 1 | 950 - 1450 MHz |
| LO frequency 1 | 13.05 GHz |
| output frequency band 1 | 14.00 - 14.50 GHz |
| output power rated | 80W |
| Product Revision | B |
| RF SPECIFICATIONS | |
|---|---|
| gain flatness (40MHz) | ≤ 1.5 dB p-p |
| Gain Flatness (over full band) | ≤ 6.0 dB p-p |
| Gain Flatness (over temperature) | ≤ 3.0 dB p-p |
| input VSWR | 2.0 : 1 max. |
| Linear Gain | ≥ 60 dB |
| noise power density | -65 dBm/Hz in Tx, -65 dBm/Hz in Rx |
| output power psat | 50 dBm min. |
| output spurious in band | ≤ -55 dBc |
| output spurious out of band P1dB | ≤ -55 dBc |
| output VSWR | 2.0 : 1 max. |
| phase noise 1kHz offset max | -72 dBc/Hz |
| phase noise 10kHz offset max | -82 dBc/Hz |
| phase noise 100kHz offset max | -92 dBc/Hz |
| phase noise 1000kHz offset max | -102 dBc/Hz |
| ELECTRICAL SPECIFICATIONS | |
|---|---|
| power connector | MIL-26482 Series 1 receptacle, Shell Size 22, 4 Pins, ACS06E22-22P-472 |
| power consumption psat | 610 W max. |
| power requirements | +18 to +56V DC |
| INTERFACE SPECIFICATIONS | |
|---|---|
| IF connector | N-Connector |
| RF output connector | WR-75 waveguide grooved |
| M and C SPECIFICATIONS | |
|---|---|
| mute control | Fully configurable, (mute enable: high: 3.0 - 5.0 V or low: 0.0 - 0.8 V, mute default: enabled or disabled) |
| m and c connector | MIL-26482 Series 1 receptacle, Shell Size 12, 10 Pins, 58-533723-10P |
| m and c interface | RS-485 & Ethernet |
| ENVIRONMENTAL SPECIFICATIONS | |
|---|---|
| humidity | 100% condensing |
| IP rating | IP 65 |
| temperature operational | -40°C to +60°C |
| temperature storage | -50 to +80°C |
| PHYSICAL SPECIFICATIONS | |
|---|---|
| cooling | 2: External Baseplate |
| enclosed accessories | Screws, Gasket, M&C Connector, Power Connector |
| product height | 164 mm |
| product length | 295 mm |
| product weight | 6.5 kg |
| product width | 135 mm |
| ACCESSORIES | |
|---|---|
| configuration add ons | FI: EMI/EMC Filter & Internal Reference |
| optional m and c cable 10m | CABLEM+C-AT10 |
| optional power supply | PS600-AT2-(NA/UK/EU/IEC/CN/AU) |
| KEY SPECIFICATIONS | |
|---|---|
| band | Ku-Band |
| band type | E: Extended |
| external ref freq | 10 MHz (sine-wave), - 5 to +5 dBm |
| input frequency band 1 | 950 - 1700 MHz |
| LO frequency 1 | 12.80 GHz |
| output frequency band 1 | 13.75 - 14.50 GHz |
| output power rated | 80W |
| Product Revision | E |
| RF SPECIFICATIONS | |
|---|---|
| gain flatness (40MHz) | ≤ 1.5 dB p-p |
| Gain Flatness (over full band) | ≤ 6.0 dB p-p |
| Gain Flatness (over temperature) | ≤ 3.0 dB p-p |
| input VSWR | 2.0 : 1 max. |
| Linear Gain | ≥ 60 dB |
| noise power density | -65 dBm/Hz in Tx, -65 dBm/Hz in Rx |
| output P1dB | 49 dBm min. |
| output power psat | 50 dBm min. |
| output spurious in band | ≤ -55 dBc |
| output spurious out of band P1dB | ≤ -55 dBc |
| output VSWR | 2.0 : 1 max. |
| phase noise 1kHz offset max | -72 dBc/Hz |
| phase noise 10kHz offset max | -82 dBc/Hz |
| phase noise 100kHz offset max | -92 dBc/Hz |
| phase noise 1000kHz offset max | -102 dBc/Hz |
| ELECTRICAL SPECIFICATIONS | |
|---|---|
| power connector | MIL-26482 Series 1 receptacle, Shell Size 22, 4 Pins, ACS06E22-22P-472 |
| power consumption psat | 610 W max. |
| power requirements | +18 to +56V DC |
| INTERFACE SPECIFICATIONS | |
|---|---|
| IF connector | N-Connector |
| RF output connector | WR-75 waveguide grooved |
| M and C SPECIFICATIONS | |
|---|---|
| mute control | Fully configurable, (mute enable: high: 3.0 - 5.0 V or low: 0.0 - 0.8 V, mute default: enabled or disabled) |
| m and c connector | MIL-26482 Series 1 receptacle, Shell Size 12, 10 Pins, 58-533723-10P |
| m and c interface | Addressable RS-485 |
| ENVIRONMENTAL SPECIFICATIONS | |
|---|---|
| humidity | 100% condensing |
| IP rating | IP 65 |
| temperature operational | -40°C to +60°C |
| temperature storage | -50 to +80°C |
| PHYSICAL SPECIFICATIONS | |
|---|---|
| cooling | 1: Internal Fan |
| enclosed accessories | Screws, Gasket, M&C Connector, Power Connector |
| product height | 164 mm |
| product length | 295 mm |
| product weight | 6.5 kg |
| product width | 135 mm |
| ACCESSORIES | |
|---|---|
| configuration add ons | No Add-on |
| optional m and c cable 10m | CABLEM+C-AT10 |
| optional power supply | PS600-AT2-(NA/UK/EU/IEC/CN/AU) |
| KEY SPECIFICATIONS | |
|---|---|
| band | Ku-Band |
| band type | E: Extended |
| external ref freq | 10 MHz (sine-wave), - 5 to +5 dBm |
| input frequency band 1 | 950 - 1700 MHz |
| LO frequency 1 | 12.80 GHz |
| output frequency band 1 | 13.75 - 14.50 GHz |
| output power rated | 80W |
| Product Revision | B |
| RF SPECIFICATIONS | |
|---|---|
| gain flatness (40MHz) | ≤ 1.5 dB p-p |
| Gain Flatness (over full band) | ≤ 6.0 dB p-p |
| Gain Flatness (over temperature) | ≤ 3.0 dB p-p |
| input VSWR | 2.0 : 1 max. |
| Linear Gain | ≥ 60 dB |
| noise power density | -65 dBm/Hz in Tx, -65 dBm/Hz in Rx |
| output power psat | 50 dBm min. |
| output spurious in band | ≤ -55 dBc |
| output spurious out of band P1dB | ≤ -55 dBc |
| output VSWR | 2.0 : 1 max. |
| phase noise 1kHz offset max | -72 dBc/Hz |
| phase noise 10kHz offset max | -82 dBc/Hz |
| phase noise 100kHz offset max | -92 dBc/Hz |
| phase noise 1000kHz offset max | -102 dBc/Hz |
| ELECTRICAL SPECIFICATIONS | |
|---|---|
| power connector | MIL-26482 Series 1 receptacle, Shell Size 22, 4 Pins, ACS06E22-22P-472 |
| power consumption psat | 610 W max. |
| power requirements | +18 to +56V DC |
| INTERFACE SPECIFICATIONS | |
|---|---|
| IF connector | N-Connector |
| RF output connector | WR-75 waveguide grooved |
| M and C SPECIFICATIONS | |
|---|---|
| mute control | Fully configurable, (mute enable: high: 3.0 - 5.0 V or low: 0.0 - 0.8 V, mute default: enabled or disabled) |
| m and c connector | MIL-26482 Series 1 receptacle, Shell Size 12, 10 Pins, 58-533723-10P |
| m and c interface | Addressable RS-485 |
| ENVIRONMENTAL SPECIFICATIONS | |
|---|---|
| humidity | 100% condensing |
| IP rating | IP 65 |
| temperature operational | -40°C to +60°C |
| temperature storage | -50 to +80°C |
| PHYSICAL SPECIFICATIONS | |
|---|---|
| cooling | 1: Internal Fan |
| enclosed accessories | Screws, Gasket, M&C Connector, Power Connector |
| product height | 164 mm |
| product length | 295 mm |
| product weight | 6.5 kg |
| product width | 135 mm |
| ACCESSORIES | |
|---|---|
| configuration add ons | F: EMI/EMC Filter |
| optional m and c cable 10m | CABLEM+C-AT10 |
| optional power supply | PS600-AT2-(NA/UK/EU/IEC/CN/AU) |
| KEY SPECIFICATIONS | |
|---|---|
| band | Ku-Band |
| band type | E: Extended |
| external ref freq | 10 MHz (sine-wave), - 5 to +5 dBm |
| input frequency band 1 | 950 - 1700 MHz |
| LO frequency 1 | 12.80 GHz |
| output frequency band 1 | 13.75 - 14.50 GHz |
| output power rated | 80W |
| Product Revision | B |
| RF SPECIFICATIONS | |
|---|---|
| gain flatness (40MHz) | ≤ 1.5 dB p-p |
| Gain Flatness (over full band) | ≤ 6.0 dB p-p |
| Gain Flatness (over temperature) | ≤ 3.0 dB p-p |
| input VSWR | 2.0 : 1 max. |
| Linear Gain | ≥ 60 dB |
| noise power density | -65 dBm/Hz in Tx, -65 dBm/Hz in Rx |
| output power psat | 50 dBm min. |
| output spurious in band | ≤ -55 dBc |
| output spurious out of band P1dB | ≤ -55 dBc |
| output VSWR | 2.0 : 1 max. |
| phase noise 1kHz offset max | -72 dBc/Hz |
| phase noise 10kHz offset max | -82 dBc/Hz |
| phase noise 100kHz offset max | -92 dBc/Hz |
| phase noise 1000kHz offset max | -102 dBc/Hz |
| ELECTRICAL SPECIFICATIONS | |
|---|---|
| power connector | MIL-26482 Series 1 receptacle, Shell Size 22, 4 Pins, ACS06E22-22P-472 |
| power consumption psat | 610 W max. |
| power requirements | +18 to +56V DC |
| INTERFACE SPECIFICATIONS | |
|---|---|
| IF connector | N-Connector |
| RF output connector | WR-75 waveguide grooved |
| M and C SPECIFICATIONS | |
|---|---|
| mute control | Fully configurable, (mute enable: high: 3.0 - 5.0 V or low: 0.0 - 0.8 V, mute default: enabled or disabled) |
| m and c connector | MIL-26482 Series 1 receptacle, Shell Size 12, 10 Pins, 58-533723-10P |
| m and c interface | Addressable RS-485 |
| ENVIRONMENTAL SPECIFICATIONS | |
|---|---|
| humidity | 100% condensing |
| IP rating | IP 65 |
| temperature operational | -40°C to +60°C |
| temperature storage | -50 to +80°C |
| PHYSICAL SPECIFICATIONS | |
|---|---|
| cooling | 1: Internal Fan |
| enclosed accessories | Screws, Gasket, M&C Connector, Power Connector |
| product height | 164 mm |
| product length | 295 mm |
| product weight | 6.5 kg |
| product width | 135 mm |
| ACCESSORIES | |
|---|---|
| configuration add ons | I: Internal Reference |
| optional m and c cable 10m | CABLEM+C-AT10 |
| optional power supply | PS600-AT2-(NA/UK/EU/IEC/CN/AU) |
| KEY SPECIFICATIONS | |
|---|---|
| band | Ku-Band |
| band type | E: Extended |
| external ref freq | 10 MHz (sine-wave), - 5 to +5 dBm |
| input frequency band 1 | 950 - 1700 MHz |
| LO frequency 1 | 12.80 GHz |
| output frequency band 1 | 13.75 - 14.50 GHz |
| output power rated | 80W |
| Product Revision | B |
| RF SPECIFICATIONS | |
|---|---|
| gain flatness (40MHz) | ≤ 1.5 dB p-p |
| Gain Flatness (over full band) | ≤ 6.0 dB p-p |
| Gain Flatness (over temperature) | ≤ 3.0 dB p-p |
| input VSWR | 2.0 : 1 max. |
| Linear Gain | ≥ 60 dB |
| noise power density | -65 dBm/Hz in Tx, -65 dBm/Hz in Rx |
| output power psat | 50 dBm min. |
| output spurious in band | ≤ -55 dBc |
| output spurious out of band P1dB | ≤ -55 dBc |
| output VSWR | 2.0 : 1 max. |
| phase noise 1kHz offset max | -72 dBc/Hz |
| phase noise 10kHz offset max | -82 dBc/Hz |
| phase noise 100kHz offset max | -92 dBc/Hz |
| phase noise 1000kHz offset max | -102 dBc/Hz |
| ELECTRICAL SPECIFICATIONS | |
|---|---|
| power connector | MIL-26482 Series 1 receptacle, Shell Size 22, 4 Pins, ACS06E22-22P-472 |
| power consumption psat | 610 W max. |
| power requirements | +18 to +56V DC |
| INTERFACE SPECIFICATIONS | |
|---|---|
| IF connector | N-Connector |
| RF output connector | WR-75 waveguide grooved |
| M and C SPECIFICATIONS | |
|---|---|
| mute control | Fully configurable, (mute enable: high: 3.0 - 5.0 V or low: 0.0 - 0.8 V, mute default: enabled or disabled) |
| m and c connector | MIL-26482 Series 1 receptacle, Shell Size 12, 10 Pins, 58-533723-10P |
| m and c interface | Addressable RS-485 |
| ENVIRONMENTAL SPECIFICATIONS | |
|---|---|
| humidity | 100% condensing |
| IP rating | IP 65 |
| temperature operational | -40°C to +60°C |
| temperature storage | -50 to +80°C |
| PHYSICAL SPECIFICATIONS | |
|---|---|
| cooling | 1: Internal Fan |
| enclosed accessories | Screws, Gasket, M&C Connector, Power Connector |
| product height | 164 mm |
| product length | 295 mm |
| product weight | 6.5 kg |
| product width | 135 mm |
| ACCESSORIES | |
|---|---|
| configuration add ons | FI: EMI/EMC Filter & Internal Reference |
| optional m and c cable 10m | CABLEM+C-AT10 |
| optional power supply | PS600-AT2-(NA/UK/EU/IEC/CN/AU) |
| KEY SPECIFICATIONS | |
|---|---|
| band | Ku-Band |
| band type | E: Extended |
| external ref freq | 10 MHz (sine-wave), - 5 to +5 dBm |
| input frequency band 1 | 950 - 1700 MHz |
| LO frequency 1 | 12.80 GHz |
| output frequency band 1 | 13.75 - 14.50 GHz |
| output power rated | 80W |
| Product Revision | B |
| RF SPECIFICATIONS | |
|---|---|
| gain flatness (40MHz) | ≤ 1.5 dB p-p |
| Gain Flatness (over full band) | ≤ 6.0 dB p-p |
| Gain Flatness (over temperature) | ≤ 3.0 dB p-p |
| input VSWR | 2.0 : 1 max. |
| Linear Gain | ≥ 60 dB |
| noise power density | -65 dBm/Hz in Tx, -65 dBm/Hz in Rx |
| output P1dB | 49 dBm min. |
| output power psat | 50 dBm min. |
| output spurious in band | ≤ -55 dBc |
| output spurious out of band P1dB | ≤ -55 dBc |
| output VSWR | 2.0 : 1 max. |
| phase noise 1kHz offset max | -72 dBc/Hz |
| phase noise 10kHz offset max | -82 dBc/Hz |
| phase noise 100kHz offset max | -92 dBc/Hz |
| phase noise 1000kHz offset max | -102 dBc/Hz |
| ELECTRICAL SPECIFICATIONS | |
|---|---|
| power connector | MIL-26482 Series 1 receptacle, Shell Size 22, 4 Pins, ACS06E22-22P-472 |
| power consumption psat | 610 W max. |
| power requirements | +18 to +56V DC |
| INTERFACE SPECIFICATIONS | |
|---|---|
| IF connector | N-Connector |
| RF output connector | WR-75 waveguide grooved |
| M and C SPECIFICATIONS | |
|---|---|
| mute control | Fully configurable, (mute enable: high: 3.0 - 5.0 V or low: 0.0 - 0.8 V, mute default: enabled or disabled) |
| m and c connector | MIL-26482 Series 1 receptacle, Shell Size 12, 10 Pins, 58-533723-10P |
| m and c interface | RS-485 & Ethernet |
| ENVIRONMENTAL SPECIFICATIONS | |
|---|---|
| humidity | 100% condensing |
| IP rating | IP 65 |
| temperature operational | -40°C to +60°C |
| temperature storage | -50 to +80°C |
| PHYSICAL SPECIFICATIONS | |
|---|---|
| cooling | 1: Internal Fan |
| enclosed accessories | Screws, Gasket, M&C Connector, Power Connector |
| product height | 164 mm |
| product length | 295 mm |
| product weight | 6.5 kg |
| product width | 135 mm |
| ACCESSORIES | |
|---|---|
| configuration add ons | No Add-on |
| optional m and c cable 10m | CABLEM+C-AT10 |
| optional power supply | PS600-AT2-(NA/UK/EU/IEC/CN/AU) |
| KEY SPECIFICATIONS | |
|---|---|
| band | Ku-Band |
| band type | E: Extended |
| external ref freq | 10 MHz (sine-wave), - 5 to +5 dBm |
| input frequency band 1 | 950 - 1700 MHz |
| LO frequency 1 | 12.80 GHz |
| output frequency band 1 | 13.75 - 14.50 GHz |
| output power rated | 80W |
| Product Revision | B |
| RF SPECIFICATIONS | |
|---|---|
| gain flatness (40MHz) | ≤ 1.5 dB p-p |
| Gain Flatness (over full band) | ≤ 6.0 dB p-p |
| Gain Flatness (over temperature) | ≤ 3.0 dB p-p |
| input VSWR | 2.0 : 1 max. |
| Linear Gain | ≥ 60 dB |
| noise power density | -65 dBm/Hz in Tx, -65 dBm/Hz in Rx |
| output power psat | 50 dBm min. |
| output spurious in band | ≤ -55 dBc |
| output spurious out of band P1dB | ≤ -55 dBc |
| output VSWR | 2.0 : 1 max. |
| phase noise 1kHz offset max | -72 dBc/Hz |
| phase noise 10kHz offset max | -82 dBc/Hz |
| phase noise 100kHz offset max | -92 dBc/Hz |
| phase noise 1000kHz offset max | -102 dBc/Hz |
| ELECTRICAL SPECIFICATIONS | |
|---|---|
| power connector | MIL-26482 Series 1 receptacle, Shell Size 22, 4 Pins, ACS06E22-22P-472 |
| power consumption psat | 610 W max. |
| power requirements | +18 to +56V DC |
| INTERFACE SPECIFICATIONS | |
|---|---|
| IF connector | N-Connector |
| RF output connector | WR-75 waveguide grooved |
| M and C SPECIFICATIONS | |
|---|---|
| mute control | Fully configurable, (mute enable: high: 3.0 - 5.0 V or low: 0.0 - 0.8 V, mute default: enabled or disabled) |
| m and c connector | MIL-26482 Series 1 receptacle, Shell Size 12, 10 Pins, 58-533723-10P |
| m and c interface | RS-485 & Ethernet |
| ENVIRONMENTAL SPECIFICATIONS | |
|---|---|
| humidity | 100% condensing |
| IP rating | IP 65 |
| temperature operational | -40°C to +60°C |
| temperature storage | -50 to +80°C |
| PHYSICAL SPECIFICATIONS | |
|---|---|
| cooling | 1: Internal Fan |
| enclosed accessories | Screws, Gasket, M&C Connector, Power Connector |
| product height | 164 mm |
| product length | 295 mm |
| product weight | 6.5 kg |
| product width | 135 mm |
| ACCESSORIES | |
|---|---|
| configuration add ons | F: EMI/EMC Filter |
| optional m and c cable 10m | CABLEM+C-AT10 |
| optional power supply | PS600-AT2-(NA/UK/EU/IEC/CN/AU) |
| KEY SPECIFICATIONS | |
|---|---|
| band | Ku-Band |
| band type | E: Extended |
| external ref freq | 10 MHz (sine-wave), - 5 to +5 dBm |
| input frequency band 1 | 950 - 1700 MHz |
| LO frequency 1 | 12.80 GHz |
| output frequency band 1 | 13.75 - 14.50 GHz |
| output power rated | 80W |
| Product Revision | B |
| RF SPECIFICATIONS | |
|---|---|
| gain flatness (40MHz) | ≤ 1.5 dB p-p |
| Gain Flatness (over full band) | ≤ 6.0 dB p-p |
| Gain Flatness (over temperature) | ≤ 3.0 dB p-p |
| input VSWR | 2.0 : 1 max. |
| Linear Gain | ≥ 60 dB |
| noise power density | -65 dBm/Hz in Tx, -65 dBm/Hz in Rx |
| output power psat | 50 dBm min. |
| output spurious in band | ≤ -55 dBc |
| output spurious out of band P1dB | ≤ -55 dBc |
| output VSWR | 2.0 : 1 max. |
| phase noise 1kHz offset max | -72 dBc/Hz |
| phase noise 10kHz offset max | -82 dBc/Hz |
| phase noise 100kHz offset max | -92 dBc/Hz |
| phase noise 1000kHz offset max | -102 dBc/Hz |
| ELECTRICAL SPECIFICATIONS | |
|---|---|
| power connector | MIL-26482 Series 1 receptacle, Shell Size 22, 4 Pins, ACS06E22-22P-472 |
| power consumption psat | 610 W max. |
| power requirements | +18 to +56V DC |
| INTERFACE SPECIFICATIONS | |
|---|---|
| IF connector | N-Connector |
| RF output connector | WR-75 waveguide grooved |
| M and C SPECIFICATIONS | |
|---|---|
| mute control | Fully configurable, (mute enable: high: 3.0 - 5.0 V or low: 0.0 - 0.8 V, mute default: enabled or disabled) |
| m and c connector | MIL-26482 Series 1 receptacle, Shell Size 12, 10 Pins, 58-533723-10P |
| m and c interface | RS-485 & Ethernet |
| ENVIRONMENTAL SPECIFICATIONS | |
|---|---|
| humidity | 100% condensing |
| IP rating | IP 65 |
| temperature operational | -40°C to +60°C |
| temperature storage | -50 to +80°C |
| PHYSICAL SPECIFICATIONS | |
|---|---|
| cooling | 1: Internal Fan |
| enclosed accessories | Screws, Gasket, M&C Connector, Power Connector |
| product height | 164 mm |
| product length | 295 mm |
| product weight | 6.5 kg |
| product width | 135 mm |
| ACCESSORIES | |
|---|---|
| configuration add ons | I: Internal Reference |
| optional m and c cable 10m | CABLEM+C-AT10 |
| optional power supply | PS600-AT2-(NA/UK/EU/IEC/CN/AU) |
| KEY SPECIFICATIONS | |
|---|---|
| band | Ku-Band |
| band type | E: Extended |
| external ref freq | 10 MHz (sine-wave), - 5 to +5 dBm |
| input frequency band 1 | 950 - 1700 MHz |
| LO frequency 1 | 12.80 GHz |
| output frequency band 1 | 13.75 - 14.50 GHz |
| output power rated | 80W |
| Product Revision | B |
| RF SPECIFICATIONS | |
|---|---|
| gain flatness (40MHz) | ≤ 1.5 dB p-p |
| Gain Flatness (over full band) | ≤ 6.0 dB p-p |
| Gain Flatness (over temperature) | ≤ 3.0 dB p-p |
| input VSWR | 2.0 : 1 max. |
| Linear Gain | ≥ 60 dB |
| noise power density | -65 dBm/Hz in Tx, -65 dBm/Hz in Rx |
| output power psat | 50 dBm min. |
| output spurious in band | ≤ -55 dBc |
| output spurious out of band P1dB | ≤ -55 dBc |
| output VSWR | 2.0 : 1 max. |
| phase noise 1kHz offset max | -72 dBc/Hz |
| phase noise 10kHz offset max | -82 dBc/Hz |
| phase noise 100kHz offset max | -92 dBc/Hz |
| phase noise 1000kHz offset max | -102 dBc/Hz |
| ELECTRICAL SPECIFICATIONS | |
|---|---|
| power connector | MIL-26482 Series 1 receptacle, Shell Size 22, 4 Pins, ACS06E22-22P-472 |
| power consumption psat | 610 W max. |
| power requirements | +18 to +56V DC |
| INTERFACE SPECIFICATIONS | |
|---|---|
| IF connector | N-Connector |
| RF output connector | WR-75 waveguide grooved |
| M and C SPECIFICATIONS | |
|---|---|
| mute control | Fully configurable, (mute enable: high: 3.0 - 5.0 V or low: 0.0 - 0.8 V, mute default: enabled or disabled) |
| m and c connector | MIL-26482 Series 1 receptacle, Shell Size 12, 10 Pins, 58-533723-10P |
| m and c interface | RS-485 & Ethernet |
| ENVIRONMENTAL SPECIFICATIONS | |
|---|---|
| humidity | 100% condensing |
| IP rating | IP 65 |
| temperature operational | -40°C to +60°C |
| temperature storage | -50 to +80°C |
| PHYSICAL SPECIFICATIONS | |
|---|---|
| cooling | 1: Internal Fan |
| enclosed accessories | Screws, Gasket, M&C Connector, Power Connector |
| product height | 164 mm |
| product length | 295 mm |
| product weight | 6.5 kg |
| product width | 135 mm |
| ACCESSORIES | |
|---|---|
| configuration add ons | FI: EMI/EMC Filter & Internal Reference |
| optional m and c cable 10m | CABLEM+C-AT10 |
| optional power supply | PS600-AT2-(NA/UK/EU/IEC/CN/AU) |
| KEY SPECIFICATIONS | |
|---|---|
| band | Ku-Band |
| band type | E: Extended |
| external ref freq | 10 MHz (sine-wave), - 5 to +5 dBm |
| input frequency band 1 | 950 - 1700 MHz |
| LO frequency 1 | 12.80 GHz |
| output frequency band 1 | 13.75 - 14.50 GHz |
| output power rated | 80W |
| Product Revision | B |
| RF SPECIFICATIONS | |
|---|---|
| gain flatness (40MHz) | ≤ 1.5 dB p-p |
| Gain Flatness (over full band) | ≤ 6.0 dB p-p |
| Gain Flatness (over temperature) | ≤ 3.0 dB p-p |
| input VSWR | 2.0 : 1 max. |
| Linear Gain | ≥ 60 dB |
| noise power density | -65 dBm/Hz in Tx, -65 dBm/Hz in Rx |
| output P1dB | 49 dBm min. |
| output power psat | 50 dBm min. |
| output spurious in band | ≤ -55 dBc |
| output spurious out of band P1dB | ≤ -55 dBc |
| output VSWR | 2.0 : 1 max. |
| phase noise 1kHz offset max | -72 dBc/Hz |
| phase noise 10kHz offset max | -82 dBc/Hz |
| phase noise 100kHz offset max | -92 dBc/Hz |
| phase noise 1000kHz offset max | -102 dBc/Hz |
| ELECTRICAL SPECIFICATIONS | |
|---|---|
| power connector | MIL-26482 Series 1 receptacle, Shell Size 22, 4 Pins, ACS06E22-22P-472 |
| power consumption psat | 610 W max. |
| power requirements | +18 to +56V DC |
| INTERFACE SPECIFICATIONS | |
|---|---|
| IF connector | N-Connector |
| RF output connector | WR-75 waveguide grooved |
| M and C SPECIFICATIONS | |
|---|---|
| mute control | Fully configurable, (mute enable: high: 3.0 - 5.0 V or low: 0.0 - 0.8 V, mute default: enabled or disabled) |
| m and c connector | MIL-26482 Series 1 receptacle, Shell Size 12, 10 Pins, 58-533723-10P |
| m and c interface | Addressable RS-485 |
| ENVIRONMENTAL SPECIFICATIONS | |
|---|---|
| humidity | 100% condensing |
| IP rating | IP 65 |
| temperature operational | -40°C to +60°C |
| temperature storage | -50 to +80°C |
| PHYSICAL SPECIFICATIONS | |
|---|---|
| cooling | 2: External Baseplate |
| enclosed accessories | Screws, Gasket, M&C Connector, Power Connector |
| product height | 164 mm |
| product length | 295 mm |
| product weight | 6.5 kg |
| product width | 135 mm |
| ACCESSORIES | |
|---|---|
| configuration add ons | No Add-on |
| optional m and c cable 10m | CABLEM+C-AT10 |
| optional power supply | PS600-AT2-(NA/UK/EU/IEC/CN/AU) |
| KEY SPECIFICATIONS | |
|---|---|
| band | Ku-Band |
| band type | E: Extended |
| external ref freq | 10 MHz (sine-wave), - 5 to +5 dBm |
| input frequency band 1 | 950 - 1700 MHz |
| LO frequency 1 | 12.80 GHz |
| output frequency band 1 | 13.75 - 14.50 GHz |
| output power rated | 80W |
| Product Revision | B |
| RF SPECIFICATIONS | |
|---|---|
| gain flatness (40MHz) | ≤ 1.5 dB p-p |
| Gain Flatness (over full band) | ≤ 6.0 dB p-p |
| Gain Flatness (over temperature) | ≤ 3.0 dB p-p |
| input VSWR | 2.0 : 1 max. |
| Linear Gain | ≥ 60 dB |
| noise power density | -65 dBm/Hz in Tx, -65 dBm/Hz in Rx |
| output power psat | 50 dBm min. |
| output spurious in band | ≤ -55 dBc |
| output spurious out of band P1dB | ≤ -55 dBc |
| output VSWR | 2.0 : 1 max. |
| phase noise 1kHz offset max | -72 dBc/Hz |
| phase noise 10kHz offset max | -82 dBc/Hz |
| phase noise 100kHz offset max | -92 dBc/Hz |
| phase noise 1000kHz offset max | -102 dBc/Hz |
| ELECTRICAL SPECIFICATIONS | |
|---|---|
| power connector | MIL-26482 Series 1 receptacle, Shell Size 22, 4 Pins, ACS06E22-22P-472 |
| power consumption psat | 610 W max. |
| power requirements | +18 to +56V DC |
| INTERFACE SPECIFICATIONS | |
|---|---|
| IF connector | N-Connector |
| RF output connector | WR-75 waveguide grooved |
| M and C SPECIFICATIONS | |
|---|---|
| mute control | Fully configurable, (mute enable: high: 3.0 - 5.0 V or low: 0.0 - 0.8 V, mute default: enabled or disabled) |
| m and c connector | MIL-26482 Series 1 receptacle, Shell Size 12, 10 Pins, 58-533723-10P |
| m and c interface | Addressable RS-485 |
| ENVIRONMENTAL SPECIFICATIONS | |
|---|---|
| humidity | 100% condensing |
| IP rating | IP 65 |
| temperature operational | -40°C to +60°C |
| temperature storage | -50 to +80°C |
| PHYSICAL SPECIFICATIONS | |
|---|---|
| cooling | 2: External Baseplate |
| enclosed accessories | Screws, Gasket, M&C Connector, Power Connector |
| product height | 164 mm |
| product length | 295 mm |
| product weight | 6.5 kg |
| product width | 135 mm |
| ACCESSORIES | |
|---|---|
| configuration add ons | F: EMI/EMC Filter |
| optional m and c cable 10m | CABLEM+C-AT10 |
| optional power supply | PS600-AT2-(NA/UK/EU/IEC/CN/AU) |
| KEY SPECIFICATIONS | |
|---|---|
| band | Ku-Band |
| band type | E: Extended |
| external ref freq | 10 MHz (sine-wave), - 5 to +5 dBm |
| input frequency band 1 | 950 - 1700 MHz |
| LO frequency 1 | 12.80 GHz |
| output frequency band 1 | 13.75 - 14.50 GHz |
| output power rated | 80W |
| Product Revision | B |
| RF SPECIFICATIONS | |
|---|---|
| gain flatness (40MHz) | ≤ 1.5 dB p-p |
| Gain Flatness (over full band) | ≤ 6.0 dB p-p |
| Gain Flatness (over temperature) | ≤ 3.0 dB p-p |
| input VSWR | 2.0 : 1 max. |
| Linear Gain | ≥ 60 dB |
| noise power density | -65 dBm/Hz in Tx, -65 dBm/Hz in Rx |
| output power psat | 50 dBm min. |
| output spurious in band | ≤ -55 dBc |
| output spurious out of band P1dB | ≤ -55 dBc |
| output VSWR | 2.0 : 1 max. |
| phase noise 1kHz offset max | -72 dBc/Hz |
| phase noise 10kHz offset max | -82 dBc/Hz |
| phase noise 100kHz offset max | -92 dBc/Hz |
| phase noise 1000kHz offset max | -102 dBc/Hz |
| ELECTRICAL SPECIFICATIONS | |
|---|---|
| power connector | MIL-26482 Series 1 receptacle, Shell Size 22, 4 Pins, ACS06E22-22P-472 |
| power consumption psat | 610 W max. |
| power requirements | +18 to +56V DC |
| INTERFACE SPECIFICATIONS | |
|---|---|
| IF connector | N-Connector |
| RF output connector | WR-75 waveguide grooved |
| M and C SPECIFICATIONS | |
|---|---|
| mute control | Fully configurable, (mute enable: high: 3.0 - 5.0 V or low: 0.0 - 0.8 V, mute default: enabled or disabled) |
| m and c connector | MIL-26482 Series 1 receptacle, Shell Size 12, 10 Pins, 58-533723-10P |
| m and c interface | Addressable RS-485 |
| ENVIRONMENTAL SPECIFICATIONS | |
|---|---|
| humidity | 100% condensing |
| IP rating | IP 65 |
| temperature operational | -40°C to +60°C |
| temperature storage | -50 to +80°C |
| PHYSICAL SPECIFICATIONS | |
|---|---|
| cooling | 2: External Baseplate |
| enclosed accessories | Screws, Gasket, M&C Connector, Power Connector |
| product height | 164 mm |
| product length | 295 mm |
| product weight | 6.5 kg |
| product width | 135 mm |
| ACCESSORIES | |
|---|---|
| configuration add ons | I: Internal Reference |
| optional m and c cable 10m | CABLEM+C-AT10 |
| optional power supply | PS600-AT2-(NA/UK/EU/IEC/CN/AU) |
| KEY SPECIFICATIONS | |
|---|---|
| band | Ku-Band |
| band type | E: Extended |
| external ref freq | 10 MHz (sine-wave), - 5 to +5 dBm |
| input frequency band 1 | 950 - 1700 MHz |
| LO frequency 1 | 12.80 GHz |
| output frequency band 1 | 13.75 - 14.50 GHz |
| output power rated | 80W |
| Product Revision | B |
| RF SPECIFICATIONS | |
|---|---|
| gain flatness (40MHz) | ≤ 1.5 dB p-p |
| Gain Flatness (over full band) | ≤ 6.0 dB p-p |
| Gain Flatness (over temperature) | ≤ 3.0 dB p-p |
| input VSWR | 2.0 : 1 max. |
| Linear Gain | ≥ 60 dB |
| noise power density | -65 dBm/Hz in Tx, -65 dBm/Hz in Rx |
| output power psat | 50 dBm min. |
| output spurious in band | ≤ -55 dBc |
| output spurious out of band P1dB | ≤ -55 dBc |
| output VSWR | 2.0 : 1 max. |
| phase noise 1kHz offset max | -72 dBc/Hz |
| phase noise 10kHz offset max | -82 dBc/Hz |
| phase noise 100kHz offset max | -92 dBc/Hz |
| phase noise 1000kHz offset max | -102 dBc/Hz |
| ELECTRICAL SPECIFICATIONS | |
|---|---|
| power connector | MIL-26482 Series 1 receptacle, Shell Size 22, 4 Pins, ACS06E22-22P-472 |
| power consumption psat | 610 W max. |
| power requirements | +18 to +56V DC |
| INTERFACE SPECIFICATIONS | |
|---|---|
| IF connector | N-Connector |
| RF output connector | WR-75 waveguide grooved |
| M and C SPECIFICATIONS | |
|---|---|
| mute control | Fully configurable, (mute enable: high: 3.0 - 5.0 V or low: 0.0 - 0.8 V, mute default: enabled or disabled) |
| m and c connector | MIL-26482 Series 1 receptacle, Shell Size 12, 10 Pins, 58-533723-10P |
| m and c interface | Addressable RS-485 |
| ENVIRONMENTAL SPECIFICATIONS | |
|---|---|
| humidity | 100% condensing |
| IP rating | IP 65 |
| temperature operational | -40°C to +60°C |
| temperature storage | -50 to +80°C |
| PHYSICAL SPECIFICATIONS | |
|---|---|
| cooling | 2: External Baseplate |
| enclosed accessories | Screws, Gasket, M&C Connector, Power Connector |
| product height | 164 mm |
| product length | 295 mm |
| product weight | 6.5 kg |
| product width | 135 mm |
| ACCESSORIES | |
|---|---|
| configuration add ons | FI: EMI/EMC Filter & Internal Reference |
| optional m and c cable 10m | CABLEM+C-AT10 |
| optional power supply | PS600-AT2-(NA/UK/EU/IEC/CN/AU) |
| KEY SPECIFICATIONS | |
|---|---|
| band | Ku-Band |
| band type | E: Extended |
| external ref freq | 10 MHz (sine-wave), - 5 to +5 dBm |
| input frequency band 1 | 950 - 1700 MHz |
| LO frequency 1 | 12.80 GHz |
| output frequency band 1 | 13.75 - 14.50 GHz |
| output power rated | 80W |
| Product Revision | B |
| RF SPECIFICATIONS | |
|---|---|
| gain flatness (40MHz) | ≤ 1.5 dB p-p |
| Gain Flatness (over full band) | ≤ 6.0 dB p-p |
| Gain Flatness (over temperature) | ≤ 3.0 dB p-p |
| input VSWR | 2.0 : 1 max. |
| Linear Gain | ≥ 60 dB |
| noise power density | -65 dBm/Hz in Tx, -65 dBm/Hz in Rx |
| output P1dB | 49 dBm min. |
| output power psat | 50 dBm min. |
| output spurious in band | ≤ -55 dBc |
| output spurious out of band P1dB | ≤ -55 dBc |
| output VSWR | 2.0 : 1 max. |
| phase noise 1kHz offset max | -72 dBc/Hz |
| phase noise 10kHz offset max | -82 dBc/Hz |
| phase noise 100kHz offset max | -92 dBc/Hz |
| phase noise 1000kHz offset max | -102 dBc/Hz |
| ELECTRICAL SPECIFICATIONS | |
|---|---|
| power connector | MIL-26482 Series 1 receptacle, Shell Size 22, 4 Pins, ACS06E22-22P-472 |
| power consumption psat | 610 W max. |
| power requirements | +18 to +56V DC |
| INTERFACE SPECIFICATIONS | |
|---|---|
| IF connector | N-Connector |
| RF output connector | WR-75 waveguide grooved |
| M and C SPECIFICATIONS | |
|---|---|
| mute control | Fully configurable, (mute enable: high: 3.0 - 5.0 V or low: 0.0 - 0.8 V, mute default: enabled or disabled) |
| m and c connector | MIL-26482 Series 1 receptacle, Shell Size 12, 10 Pins, 58-533723-10P |
| m and c interface | RS-485 & Ethernet |
| ENVIRONMENTAL SPECIFICATIONS | |
|---|---|
| humidity | 100% condensing |
| IP rating | IP 65 |
| temperature operational | -40°C to +60°C |
| temperature storage | -50 to +80°C |
| PHYSICAL SPECIFICATIONS | |
|---|---|
| cooling | 2: External Baseplate |
| enclosed accessories | Screws, Gasket, M&C Connector, Power Connector |
| product height | 164 mm |
| product length | 295 mm |
| product weight | 6.5 kg |
| product width | 135 mm |
| ACCESSORIES | |
|---|---|
| configuration add ons | No Add-on |
| optional m and c cable 10m | CABLEM+C-AT10 |
| optional power supply | PS600-AT2-(NA/UK/EU/IEC/CN/AU) |
| KEY SPECIFICATIONS | |
|---|---|
| band | Ku-Band |
| band type | E: Extended |
| external ref freq | 10 MHz (sine-wave), - 5 to +5 dBm |
| input frequency band 1 | 950 - 1700 MHz |
| LO frequency 1 | 12.80 GHz |
| output frequency band 1 | 13.75 - 14.50 GHz |
| output power rated | 80W |
| Product Revision | B |
| RF SPECIFICATIONS | |
|---|---|
| gain flatness (40MHz) | ≤ 1.5 dB p-p |
| Gain Flatness (over full band) | ≤ 6.0 dB p-p |
| Gain Flatness (over temperature) | ≤ 3.0 dB p-p |
| input VSWR | 2.0 : 1 max. |
| Linear Gain | ≥ 60 dB |
| noise power density | -65 dBm/Hz in Tx, -65 dBm/Hz in Rx |
| output power psat | 50 dBm min. |
| output spurious in band | ≤ -55 dBc |
| output spurious out of band P1dB | ≤ -55 dBc |
| output VSWR | 2.0 : 1 max. |
| phase noise 1kHz offset max | -72 dBc/Hz |
| phase noise 10kHz offset max | -82 dBc/Hz |
| phase noise 100kHz offset max | -92 dBc/Hz |
| phase noise 1000kHz offset max | -102 dBc/Hz |
| ELECTRICAL SPECIFICATIONS | |
|---|---|
| power connector | MIL-26482 Series 1 receptacle, Shell Size 22, 4 Pins, ACS06E22-22P-472 |
| power consumption psat | 610 W max. |
| power requirements | +18 to +56V DC |
| INTERFACE SPECIFICATIONS | |
|---|---|
| IF connector | N-Connector |
| RF output connector | WR-75 waveguide grooved |
| M and C SPECIFICATIONS | |
|---|---|
| mute control | Fully configurable, (mute enable: high: 3.0 - 5.0 V or low: 0.0 - 0.8 V, mute default: enabled or disabled) |
| m and c connector | MIL-26482 Series 1 receptacle, Shell Size 12, 10 Pins, 58-533723-10P |
| m and c interface | RS-485 & Ethernet |
| ENVIRONMENTAL SPECIFICATIONS | |
|---|---|
| humidity | 100% condensing |
| IP rating | IP 65 |
| temperature operational | -40°C to +60°C |
| temperature storage | -50 to +80°C |
| PHYSICAL SPECIFICATIONS | |
|---|---|
| cooling | 2: External Baseplate |
| enclosed accessories | Screws, Gasket, M&C Connector, Power Connector |
| product height | 164 mm |
| product length | 295 mm |
| product weight | 6.5 kg |
| product width | 135 mm |
| ACCESSORIES | |
|---|---|
| configuration add ons | F: EMI/EMC Filter |
| optional m and c cable 10m | CABLEM+C-AT10 |
| optional power supply | PS600-AT2-(NA/UK/EU/IEC/CN/AU) |
| KEY SPECIFICATIONS | |
|---|---|
| band | Ku-Band |
| band type | E: Extended |
| external ref freq | 10 MHz (sine-wave), - 5 to +5 dBm |
| input frequency band 1 | 950 - 1700 MHz |
| LO frequency 1 | 12.80 GHz |
| output frequency band 1 | 13.75 - 14.50 GHz |
| output power rated | 80W |
| Product Revision | B |
| RF SPECIFICATIONS | |
|---|---|
| gain flatness (40MHz) | ≤ 1.5 dB p-p |
| Gain Flatness (over full band) | ≤ 6.0 dB p-p |
| Gain Flatness (over temperature) | ≤ 3.0 dB p-p |
| input VSWR | 2.0 : 1 max. |
| Linear Gain | ≥ 60 dB |
| noise power density | -65 dBm/Hz in Tx, -65 dBm/Hz in Rx |
| output power psat | 50 dBm min. |
| output spurious in band | ≤ -55 dBc |
| output spurious out of band P1dB | ≤ -55 dBc |
| output VSWR | 2.0 : 1 max. |
| phase noise 1kHz offset max | -72 dBc/Hz |
| phase noise 10kHz offset max | -82 dBc/Hz |
| phase noise 100kHz offset max | -92 dBc/Hz |
| phase noise 1000kHz offset max | -102 dBc/Hz |
| ELECTRICAL SPECIFICATIONS | |
|---|---|
| power connector | MIL-26482 Series 1 receptacle, Shell Size 22, 4 Pins, ACS06E22-22P-472 |
| power consumption psat | 610 W max. |
| power requirements | +18 to +56V DC |
| INTERFACE SPECIFICATIONS | |
|---|---|
| IF connector | N-Connector |
| RF output connector | WR-75 waveguide grooved |
| M and C SPECIFICATIONS | |
|---|---|
| mute control | Fully configurable, (mute enable: high: 3.0 - 5.0 V or low: 0.0 - 0.8 V, mute default: enabled or disabled) |
| m and c connector | MIL-26482 Series 1 receptacle, Shell Size 12, 10 Pins, 58-533723-10P |
| m and c interface | RS-485 & Ethernet |
| ENVIRONMENTAL SPECIFICATIONS | |
|---|---|
| humidity | 100% condensing |
| IP rating | IP 65 |
| temperature operational | -40°C to +60°C |
| temperature storage | -50 to +80°C |
| PHYSICAL SPECIFICATIONS | |
|---|---|
| cooling | 2: External Baseplate |
| enclosed accessories | Screws, Gasket, M&C Connector, Power Connector |
| product height | 164 mm |
| product length | 295 mm |
| product weight | 6.5 kg |
| product width | 135 mm |
| ACCESSORIES | |
|---|---|
| configuration add ons | I: Internal Reference |
| optional m and c cable 10m | CABLEM+C-AT10 |
| optional power supply | PS600-AT2-(NA/UK/EU/IEC/CN/AU) |
| KEY SPECIFICATIONS | |
|---|---|
| band | Ku-Band |
| band type | E: Extended |
| external ref freq | 10 MHz (sine-wave), - 5 to +5 dBm |
| input frequency band 1 | 950 - 1700 MHz |
| LO frequency 1 | 12.80 GHz |
| output frequency band 1 | 13.75 - 14.50 GHz |
| output power rated | 80W |
| Product Revision | B |
| RF SPECIFICATIONS | |
|---|---|
| gain flatness (40MHz) | ≤ 1.5 dB p-p |
| Gain Flatness (over full band) | ≤ 6.0 dB p-p |
| Gain Flatness (over temperature) | ≤ 3.0 dB p-p |
| input VSWR | 2.0 : 1 max. |
| Linear Gain | ≥ 60 dB |
| noise power density | -65 dBm/Hz in Tx, -65 dBm/Hz in Rx |
| output power psat | 50 dBm min. |
| output spurious in band | ≤ -55 dBc |
| output spurious out of band P1dB | ≤ -55 dBc |
| output VSWR | 2.0 : 1 max. |
| phase noise 1kHz offset max | -72 dBc/Hz |
| phase noise 10kHz offset max | -82 dBc/Hz |
| phase noise 100kHz offset max | -92 dBc/Hz |
| phase noise 1000kHz offset max | -102 dBc/Hz |
| ELECTRICAL SPECIFICATIONS | |
|---|---|
| power connector | MIL-26482 Series 1 receptacle, Shell Size 22, 4 Pins, ACS06E22-22P-472 |
| power consumption psat | 610 W max. |
| power requirements | +18 to +56V DC |
| INTERFACE SPECIFICATIONS | |
|---|---|
| IF connector | N-Connector |
| RF output connector | WR-75 waveguide grooved |
| M and C SPECIFICATIONS | |
|---|---|
| mute control | Fully configurable, (mute enable: high: 3.0 - 5.0 V or low: 0.0 - 0.8 V, mute default: enabled or disabled) |
| m and c connector | MIL-26482 Series 1 receptacle, Shell Size 12, 10 Pins, 58-533723-10P |
| m and c interface | RS-485 & Ethernet |
| ENVIRONMENTAL SPECIFICATIONS | |
|---|---|
| humidity | 100% condensing |
| IP rating | IP 65 |
| temperature operational | -40°C to +60°C |
| temperature storage | -50 to +80°C |
| PHYSICAL SPECIFICATIONS | |
|---|---|
| cooling | 2: External Baseplate |
| enclosed accessories | Screws, Gasket, M&C Connector, Power Connector |
| product height | 164 mm |
| product length | 295 mm |
| product weight | 6.5 kg |
| product width | 135 mm |
| ACCESSORIES | |
|---|---|
| configuration add ons | FI: EMI/EMC Filter & Internal Reference |
| optional m and c cable 10m | CABLEM+C-AT10 |
| optional power supply | PS600-AT2-(NA/UK/EU/IEC/CN/AU) |
Please contact us to request any additional documents you may need.
| INFORMATION | |
|---|---|
| HS Code | 8517690000 |
| Country of Origin | Made in Canada |
| Ex Works | Richmond, BC, Canada |
| ECCN Number | EAR99 |
| Warranty | 3 years |
| Unit Package Dimensions | - |
| Unit Package Weight | - |
| Total Aluminium Content | 5.67 kg |
| Aluminum Country of Smelt and Cast | CN |
| Total Aluminium Value | $ 14.175 |


