| KEY SPECIFICATIONS | |
|---|---|
| band | Ku-Band |
| band type | E: Extended |
| firmware version | 2.3.1 |
| input frequency band 1 | 950 - 1700 MHz |
| LO frequency 1 | 12.80 GHz |
| output frequency band 1 | 13.75 - 14.50 GHz |
| output power rated | 80W |
| Product Revision | D |
| RF SPECIFICATIONS | |
|---|---|
| gain flatness (40MHz) | ≤ 1.5 dB p-p |
| Gain Flatness (over full band) | ≤ 6.0 dB p-p |
| Gain Flatness (over temperature) | ≤ 3.0 dB p-p |
| input VSWR | 2.0 : 1 max. |
| Linear Gain | 60 dB min., 70 db max. |
| linear power plin | 46 dBm min. |
| noise power density | -90 dBm/Hz in Tx, -144 dBm/Hz in Rx |
| output power psat | 49 dBm min. |
| output spurious in band | ≤ -60 dBc |
| output spurious out of band P1dB | ≤ -60 dBc |
| output VSWR | 2.6 : 1 max. |
| phase noise 1kHz offset max | -73 dBc/Hz |
| phase noise 10kHz offset max | -83 dBc/Hz |
| phase noise 100kHz offset max | -93 dBc/Hz |
| phase noise 1000kHz offset max | -103 dBc/Hz |
| ELECTRICAL SPECIFICATIONS | |
|---|---|
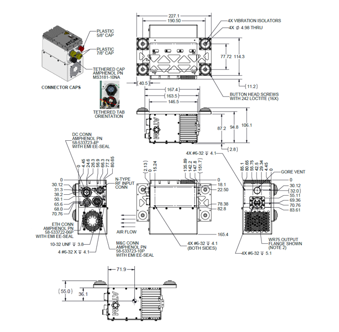
| power connector | MIL-26482 Series 1 receptacle, Shell Size 12, 4 Pins, 58-533723-04P |
| power consumption psat | 370 W max. |
| power requirements | +18 to +56V DC |
| INTERFACE SPECIFICATIONS | |
|---|---|
| IF connector | N-Connector |
| RF output connector | WR-75 waveguide grooved |
| M and C SPECIFICATIONS | |
|---|---|
| mute control | Fully configurable, (mute enable: high: 3.0 - 5.0 V or low: 0.0 - 0.8 V, mute default: enabled or disabled) |
| m and c interface | RS-485 & RS-232; Ethernet |
| ENVIRONMENTAL SPECIFICATIONS | |
|---|---|
| humidity | 100% condensing |
| temperature operational | -40 to +60°C (Psat), -40 to 71°C (Plin) |
| temperature storage | -50 to +80°C |
| PHYSICAL SPECIFICATIONS | |
|---|---|
| cooling | 1: Internal Fan |
| enclosed accessories | Screws, Gasket, M&C Connector, Power Connector |
| Fan size | 60 mmx 60mm x 38mm |
| product dimensions (with fan) (LxWxH) | 227.1 mm x 108.9 mm x 165.4 mm |
| product weight | 3.1 kg |
| ACCESSORIES | |
|---|---|
| configuration add ons | FP: EMI/EMC Filter & Surge Protection |
| optional m and c cable 10m | CABLEM+C-AT10 |
| optional power supply | PS600-AT1-(NA/UK/EU/IEC/CN/AU) |


