| KEY SPECIFICATIONS | |
|---|---|
| band | X-Band |
| external ref freq | 10 MHz (sine-wave), - 5 to +5 dBm |
| input frequency band 1 | 7.25 - 7.75 GHz |
| LO frequency 1 | 6.30 GHz |
| LO stability | ±10 kHz |
| LO type | PLL |
| noise figure max | 0.7 dB |
| noise figure typ | 0.6 dB |
| number of onboard LOs | Single-Band |
| output frequency band 1 | 950 - 1450 MHz |
| Product Revision | E |
| RF SPECIFICATIONS | |
|---|---|
| conversion gain max | 65 dB |
| conversion gain min | 56 dB |
| conversion gain typ | 60 dB |
| Gain Flatness (over full band) | ≤ 4 dB p-p |
| input VSWR | 2.0 : 1 max. |
| output P1dB | + 10 dBm min. |
| output VSWR | 2.0 : 1 max. |
| phase noise 1kHz offset max | -75 dBc/Hz |
| phase noise 10kHz offset max | -85 dBc/Hz |
| phase noise 100kHz offset max | -95 dBc/Hz |
| ELECTRICAL SPECIFICATIONS | |
|---|---|
| current consumption | 270 mA max. |
| power requirements | +15 to +24V DC |
| INTERFACE SPECIFICATIONS | |
|---|---|
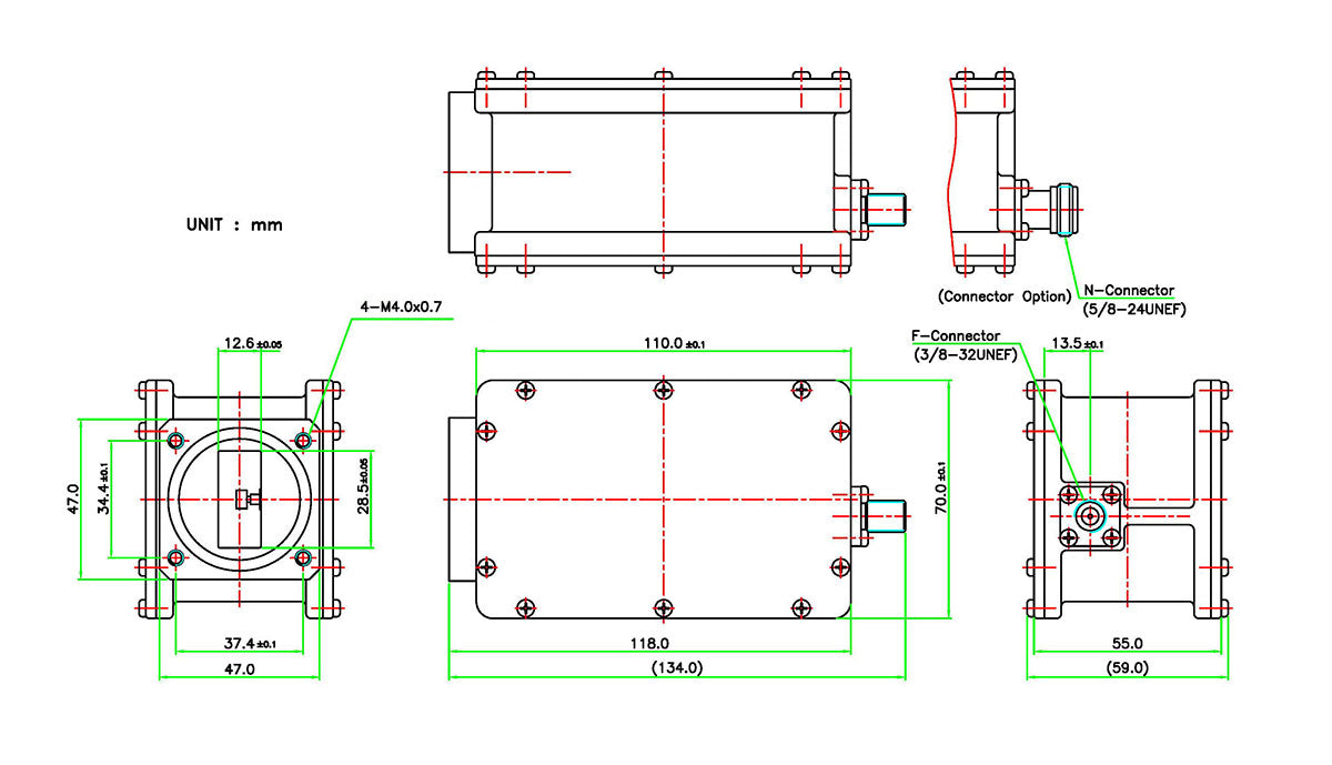
| IF connector | F-connector 75 Ohm (waterproof) |
| RF input connector | WR-112 waveguide grooved (waterproof) |
| M and C SPECIFICATIONS | |
|---|---|
| led indicators | None |
| ENVIRONMENTAL SPECIFICATIONS | |
|---|---|
| humidity | 0 - 95% |
| IP rating | IP 67 |
| temperature operational | -40°C to +60°C |
| PHYSICAL SPECIFICATIONS | |
|---|---|
| product height | 59 mm |
| product length | 134 mm |
| product weight | 0.6 kg |
| product width | 70 mm |


